Motoréducteur pour poêle à granulés 2 RPM référence FB1231
Motoréducteur Mellor pour poêle à granulés 2 RPM référence FB1231 Axe 9.5mm
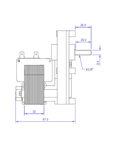
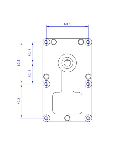
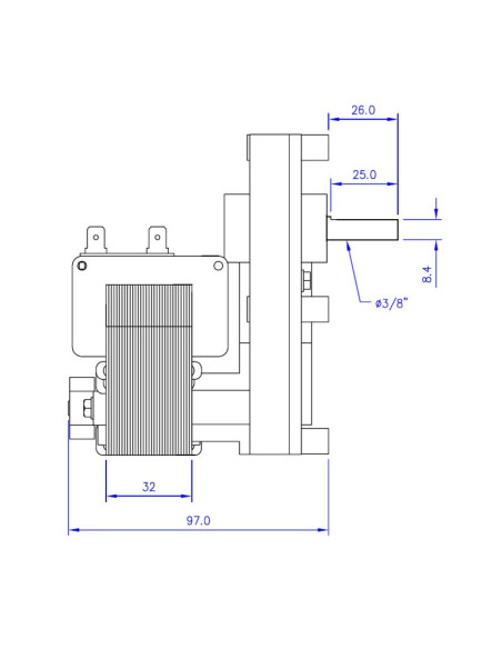
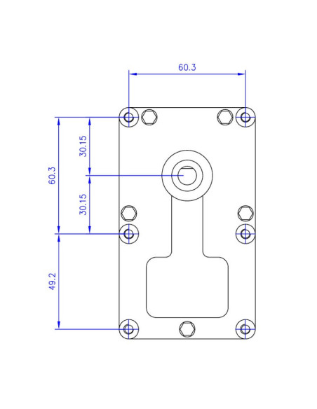
Série T3, couple de serrage 38Nm, consommation 28Watt, vitesse 2rpm rotation dans le sens des aiguilles d’une montre, diamètre de l’arbre 9,5mm, tôles feuilletées 32mm, alimentation 220 V CA 50/60 Hz.
Equivalente Mellor FB1123
Marque des Poêles concernés :
- ADLER
- CT PASQUALICCHIO
- ECOFOREST
- ECOTECK
- EDILKAMIN
- ITALIANA CAMINI
- RAVELLI
*La garantie ne s'applique pas pour les pannes survenues en raison de l'abrasion des dents de la roue crantée plastique qui sert de sécurité dans le boitier de réduction des motoréducteurs (dans ce cas, cette usure est due à une cause autre que le fonctionnement du motoréducteur en lui même).
Motoréducteur Mellor pour poêle à granulés 2 RPM référence FB1231 Axe 9.5mm
Série T3, couple de serrage 38Nm, consommation 28Watt, vitesse 2rpm rotation dans le sens des aiguilles d’une montre, diamètre de l’arbre 9,5mm, tôles feuilletées 32mm, alimentation 220 V CA 50/60 Hz.
Equivalente Mellor FB1123
Marque des Poêles concernés :
- ADLER
- CT PASQUALICCHIO
- ECOFOREST ref. 60300 mod. Atenas - Aveiro - Basic - Boston Insert - Bremen - Cantina - Cantina Nova - Cantina Super - Cies - Cordoba - Dubai - Dublin - Eco 1 Aria - Eco 1 Aria insert - Eco 2 Aria insert - Eco 2 mini - Eco 3 - Ecoair - Ecoair insert - Hidrocopper - Kerala - London - Moon - Paris - Suez - Tokio - Turbo aire - Venus - Venus Ceramica - Vigo - Vigo Diamante - Vigo Ceramica - Vigo 2
- ECOTECK Rif. 55002 - FB1244
- EDILKAMIN ref. 665190 mod. Aida - Bering - Bijoux - Bora - Brio - Cameo - Chip - Classica - Dida - Dida Plus - Elise - Idrochip - Idrofast - Idropellbox - Idropoint - Kelly - Lou - Marea 2008 - Medea - Micron - Mimì - Mya - Nancy - Naomy - Norma - Point - Prima - Serena - Simpli - Strass - Ten - Ten plus - Tiny - Tiny ceramica intera - Tresor - Zara - Zara plus
- EDILKAMIN ref. 268120 mod. Aida - Elise - Idrofast - Idropellbox - Marea 2008 - Medea - Mimì - Norma - Serena - Tiny - Tiny ceramica intera
- ITALIANA CAMINI
- RAVELLI Rif. 55002 - FB1244 - Mod. Amalfi - Chiara - HR70 - Natural 11 - Genova - Pisa - HRevo 24 - HRevo18 Touch - HRV200 - HRevo 24 Touch - Soffio - Integra 28 - Natural 7/9 - Vittoria aircan - Natural 11 - Venezia
- RAVELLI Rif. 55516 - FB1319 - Motoriduttore per pulitore braciere: HRV160 Touch - HR evo Slim - HR evo1824 Plus
 
   
                         
                         
                         
                         
                 
                 
                 
                
 
                                                                                                                                                                
         
                                                                                                                                                                
        