Bougie d'allumage pour poêle à granulés UTXS014074
Résistance d'allumage, ou bougie d'allumage pour poêle à granulés UTXS014074.
LIVRAISON GRATUITE
Convient aux poêles à granulés ECOTECK, RAVELLI ou tout autre poêle dont la résistance d'allumage a les mêmes caractéristiques techniques.
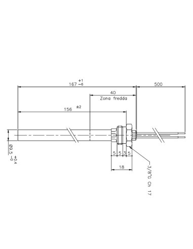
Diamètre : 9,5 mm
Longueur : 156 mm entre les extrémités de la résistance - voir le schéma et les photos
Puissance : 250w
Raccord : 3/8" gaz
Les résistances sont livrées sans les cosses adaptées ; vous pouvez conserver celles de votre ancienne bougie et raccorder les fils au moyen de connecteurs électriques (il n'y a pas de polarité).
Photos non contractuelles.
Info Pratique : Si la bougie d'allumage n'est pas mise en place immédiatement, veillez à la conserver dans un endroit sec et à l'abri de l'humidité.
Résistance d'allumage pour poêles à granulés UTXS014074
LIVRAISON GRATUITE
Convient aux poêles à granulés ECOTECK, RAVELLI ou tout autre poêle dont la résistance d'allumage a les mêmes caractéristiques techniques.
Diamètre : 9,5 mm
Longueur : 156 mm entre les extrémités de la résistance - voir le schéma et les photos
Puissance : 250w
Raccord : 3/8" gaz
Pour poêles
- ECOTECK ref. 55084
- RAVELLI ref. 55084 - mod. Chiara - Genova - Pisa - Riviera - HR200 Ver.1-2 - HRV160 ver.1 - HRB160 - HRV135 ver.01- HRevo24
Avant de commander, vérifiez parfaitement les caractéristiques de la pièce que vous souhaitez remplacer.
Tous les articles sont testés avant envoi.
PHOTOS NON CONTRACTUELLES
Info Pratique : Si la bougie d'allumage n'est pas mise en place immédiatement, veillez à la conserver dans un endroit sec et à l'abri de l'humidité.
